JavaScript seems to be disabled in your browser.
You must have JavaScript enabled in your browser to utilize the functionality of this website. Click here for instructions on enabling javascript in your browser.
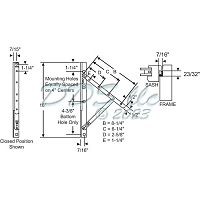
Truth 13.15 Awning window hinge with 18" track. Right hand awning hinge assembly. E-gard finish. Maximum sash weight 38 pounds. Sash Height: 19" to 26".